Hardware X Paper on HamSCI Ground Magnetometer
Hardware X Paper on HamSCI Ground Magnetometer

Congratulations to HamSCI member Hyomin Kim, Assistant Professor of Physics at New Jersey Institute of Technology, and his co-authors* on the publication of a paper in HardwareX entitled Citizen science: Development of a low-cost magnetometer system for coordinated space weather monitoring.
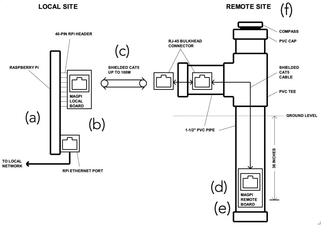
From the Abstract: As part of Ham Radio Science Citizen Investigation (HamSCI) Personal Space Weather Station (PSWS) project, a low-cost, commercial off-the-shelf magnetometer has been developed to provide quantitative and qualitative measurements of the geospace environment from the ground for both scientific and operational purposes at a cost that will allow for crowd-sourced data contributions. The PSWS magnetometers employ a magneto-inductive sensor technology to record three-axis magnetic field variations with a field resolution of 3 nT at a 1 Hz sample rate...
The full paper can be viewed here, on the HardwareX website.
HardwareX is a multidisciplinary, open access, peer-reviewed journal which publishes articles that describe the design, construction and customization of scientific devices and equipment.
*David Witten, Julius Madey, Nathaniel Frissell, John Gibbons, William Engelke, Anderson Liddle, Nicholas Muscoliono, Joseph Visone, Zhaoshu Cao